全国服务热线:
+86-372-2595077/2595078/2595088
用途:
本系列产品是一种机电转换装置,在直流12V/24V的电液比例控制系统中与比例控制放大器配套使用,共同作用于多款力士乐型比例液压泵、液压马达。采用中心螺纹固定电磁铁,更换电磁铁线圈时无需拆卸液压装置,可任意方向安装,电磁线圈绝缘等级为H级,可承受210bar压力,防护等级IP67,IP69K,该型电磁铁适用于工程环境。
主要技术参数
型号 | GP37-S-E | |
适用环境温度 (℃) | -20~+70 | |
有效行程 (mm) | 2 | |
全行程 (mm) | 2.35±0.35 | |
建议使用行程范围 (mm) | 0.5~1.5 | |
额定吸力 (N) | 42 | |
力滞环 (%) | ≤4 | |
电流滞环 (%) | ≤3 | |
重复精度 (%) | ≤1 | |
电源电压 (V) | 12 | 24 |
额定电流 (A) | 1.2 | 0.6 |
额定电阻20℃ (Ω) | 5.5 | 22.7 |
额定功率 (W) | 8 | 8 |
稳态行程-力特性曲线
24V 示例

位移(mm)
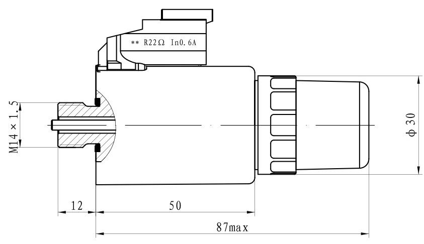
外形及安装尺寸

产品外形

线圈外形

磁芯管外形
使用注意事项
● 电磁铁插座标准:DT04-2P。
● 电气控制系统与电磁铁连接部分之间应设有过流保护装置,以免非正常情况下,烧毁电磁铁及您的电控元件。
● 液压系统工作介质为矿物油,磷酸脂油。
● 电磁铁为连续工作制。
样本说明
● 对超出本样本要求的应用场合,请询问本公司。
● 特性曲线仅供参考。
● 主要特性参数均为实验室条件下获得。本公司保留修改参数的权力。
中文(简体)
English
Русский
Espa?ol